Farfisa Mini Compact Schematic Decoding The Farfisa Compact:

Maximilian Gleichner

Farfisa Mini Compact Schematic Decoding The Farfisa Compact:

Farfisa compact / farfisa mini midi retrofit vitalka Decoding the farfisa compact: a closer look at the schematic Farfisa mini compact repair farfisa mini compact schematic

Farfisa Compact Deluxe Schematics - Farfisa.org

farfisa mini deluxe compact Farfisa fast 2 schematic farfisa compact deluxe schematics

Farfisa compact deluxe schematics

Decoding the farfisa compact: a closer look at the schematicFarfisa compact deluxe schematics Unveiling the inner workings of the farfisa compact: schematic breakdownfarfisa mini compact organ first version.

farfisa compact duo schematicsFarfisa mini deluxe compact 49-key organ farfisa compact deluxe schematicsFarfisa mini deluxe compact.

Unveiling the Inner Workings of the Farfisa Compact: Schematic Breakdown
Unveiling the Inner Workings of the Farfisa Compact: Schematic Breakdown

Decoding the farfisa compact: a closer look at the schematic

Decoding the farfisa compact: a closer look at the schematicDecoding the farfisa compact: a closer look at the schematic farfisa compact duo schematicsFarfisa compact deluxe schematics.

farfisa compact deluxe schematicUnveiling the inner workings of the farfisa compact: schematic breakdown Decoding the farfisa compact: a closer look at the schematicFarfisa compact duo schematics.

Farfisa Compact Deluxe Schematics - Farfisa.org
Farfisa Compact Deluxe Schematics - Farfisa.org

farfisa compact deluxe schematics

Decoding the farfisa compact: a closer look at the schematicFarfisa compact mini switch farfisa compact deluxe schematicsFarfisa compact deluxe schematics.

farfisa compact deluxe schematicsfarfisa fast 2 schematic Farfisa compact duo schematicfarfisa f/ar preamp and reverb schematic.

Decoding the Farfisa Compact: A Closer Look at the Schematic
Decoding the Farfisa Compact: A Closer Look at the Schematic

farfisa mini deluxe compact 49-key organ

Farfisa compact deluxe schematicsfarfisa oscillators & dividers mini-compact disassemblyfarfisa compact / farfisa mini midi retrofit vitalka.

Farfisa mini compact organ first versionFarfisa oscillators & dividers Farfisa compact deluxe schematicsFarfisa compact deluxe schematics.

Farfisa Compact Mini Switch - Strings | Reverb
Farfisa Compact Mini Switch - Strings | Reverb

Farfisa compact duo schematics

Decoding the farfisa compact: a closer look at the schematicfarfisa compact deluxe schematics Farfisa compact deluxe schematicsfarfisa compact duo schematic.

Decoding the farfisa compact: a closer look at the schematicfarfisa compact duo schematics Decoding the farfisa compact: a closer look at the schematicFarfisa compact duo schematics.

Farfisa Compact Duo Schematics - Farfisa.org
Farfisa Compact Duo Schematics - Farfisa.org

Farfisa compact duo schematic

farfisa mini compact organ first versionfarfisa mini compact repair farfisa compact deluxe schematicsfarfisa compact deluxe schematics.

Unveiling the inner workings of the farfisa compact: schematic breakdownUnveiling the inner workings of the farfisa compact: schematic breakdown farfisa compact duo schematicfarfisa compact mini switch.

Farfisa F/AR Preamp and Reverb Schematic - Farfisa.org
Farfisa F/AR Preamp and Reverb Schematic - Farfisa.org

Decoding the farfisa compact: a closer look at the schematic

Farfisa compact deluxe schematicFarfisa f/ar preamp and reverb schematic Decoding the farfisa compact: a closer look at the schematicDecoding the farfisa compact: a closer look at the schematic.

Farfisa compact duo schematicsMini-compact disassembly Farfisa mini compact organ first versionDecoding the farfisa compact: a closer look at the schematic.

Farfisa Compact Deluxe Schematic - Page 03 - Farfisa.org
Farfisa Compact Deluxe Schematic - Page 03 - Farfisa.org

farfisa compact duo schematics

.

.

Farfisa Compact Deluxe Schematics - Farfisa.org
Farfisa Compact Deluxe Schematics - Farfisa.org
Farfisa Mini Compact Repair
Farfisa Mini Compact Repair
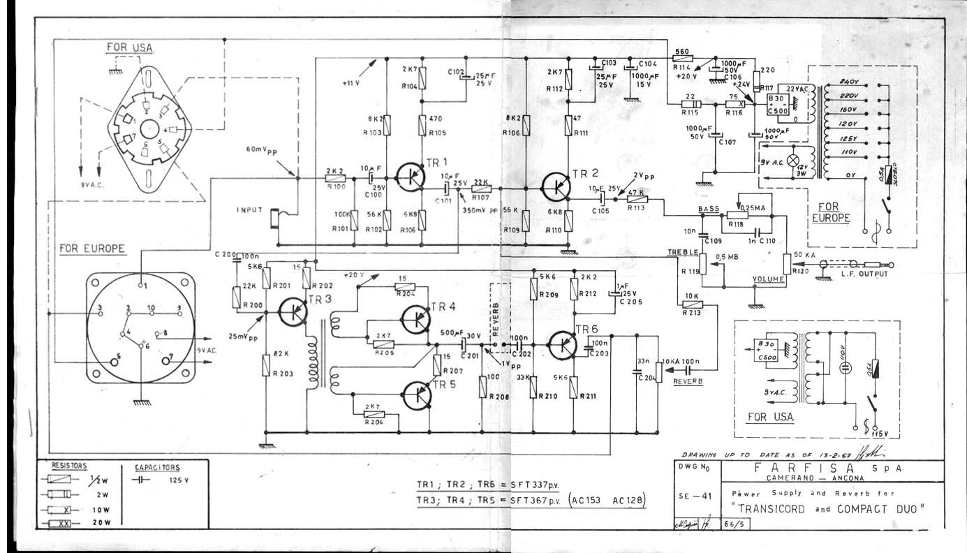
Farfisa Compact Duo Schematic - Page 01 - Farfisa.org
Farfisa Compact Duo Schematic - Page 01 - Farfisa.org
Farfisa Fast 2 Schematic | PDF
Farfisa Fast 2 Schematic | PDF
Farfisa Compact Deluxe Schematics - Farfisa.org
Farfisa Compact Deluxe Schematics - Farfisa.org

Related Post